PRODUCT
时间:2026-04-12 11:51:56



| 项目指标 | 参数特性 | 项目指标 | 参数特性 |
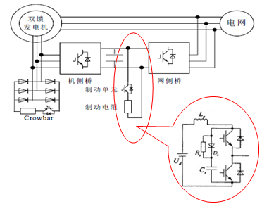
| 变流器拓扑结构 | 双级背靠背 | 后级控制方式 | 稳定直流电压 |
| 额定流功率 | 5.0kW | 后级功率因数 | >0.99 |
| 额定交流电流 | 15A | 直流母线电压 | 600V |
| 额定交流电压 | 380V | 最大直流电流 | 22A |
| 额定电网频率 | 50Hz | 电流总谐波畸变率(THD) | <3%(额定功率) |
| 允许电网频率 | 48~50.5Hz | 最大效率 | 95% |
| 前级控制方式 | 功率控制 | 待机状态功耗 | <40W |
| 前级功率因数 | >0.99 | 冷却方式 | 强迫风冷 |
| 防护等级 | IP21 | 标准通讯方式 | RS485 |
| 类别 | 功能描述 | 规格参数 | |
| 整机参数 | 按照双馈风力发电机组机械结构进行模拟,具备主动拖动、并网发电功能。 |
形式:三支仿真叶片,上风向,水平轴,全翼展电动变距,双馈式 风轮旋转方向:顺时针(从机头方向看) 额定功率:5kW 风轮转速范围:0-20rpm 机组运行温度范围:-100C—300C 环境相对湿度:≤95% 轮毂中心高度:1000mm 模型尺寸(长宽高):约 2.5x1.5x1.5m |
|
| 操作台 | 操作台功能包括:实验过程中的各参数变化显示、状态显示、能量转换的过程状态显示、外部风速、风向干扰设定。 |
防护等级:IP23 配备部件:西门子1200 主机控制器 电源:220VAC 和UPS,24VDC |
|
| 电气部分 | 驱动变频器 | 容量等级 | 5.5KW |
| 电压等级 | 380V | ||
| 电机类型 | 异步/永磁同步电动机 | ||
| 调速范围 | 0-2000RPM | ||
| 控制方式 | 有PG矢量控制,弱磁控制 | ||
| 接口类型 | RS485 | ||
| 控制环路 | 速度闭环,力矩闭环 | ||
| 精度 | 电压、电流、转速、位置、转矩的信号测量 | ||
| 定制变流器 | 功率等级 | 5.5KW | |
| 电压等级 | 380V | ||
| 功率拓扑 | 二电平背靠背 | ||
| 外形尺寸 | (宽×深×高,mm)800×600×1600 | ||
| 拖动电动机 | 额定功率 | 7.5KW | |
| 额定转速 | 1460RPM | ||
| 同步转速 | 1800RPM | ||
| 额定电压 | 380V | ||
| 功率因数 | 0.9 | ||
| 安装方式 | IMB3 | ||
| 防护等级 | IP21 | ||
| 噪声等级 | 85dB | ||
| 工作制 | S1 | ||
| 编码器 | 2000线 | ||
| 发电机 | 类 型 | 双馈发电机 | |
| 额定功率 | 5.5kW | ||
| 额定电压 | 380V | ||
| 额定频率 | 50Hz | ||
| 额定转速 | 1500rpm | ||
| 转速范围 | 0-2000rpm | ||
| 绝缘等级 | F级 | ||
| 定子电流 | 7.2A | ||
| 转子电流 | 2.95A | ||
| 极数 | 4 | ||
| 转速 | 同步转速:1500rpm | ||
| 最大转速:1800rpm | |||
| 绝缘等级 | F级 | ||
| 冷却方式 | IC411 | ||
| 安装方式 | IMB3 | ||
| 噪声等级 | 85dB | ||
| 工作制 | S1 | ||
| 编码器 | 线性驱动输出 2000 | ||
| 转子接法 | Y | ||
| 转子电压 | 1086V | ||
| 机械整机部分 | 轮毂 | 轮毂采用球形结构,通过法兰与主轴联接,通过变桨轴承与叶片连接。 |
技术参数: 结构型式:球状空心,三个法兰面与三个叶片相连接 |
|
电驱动 独立变 桨系统 |
变桨距机构采用电动变桨、独立变桨,当风速达到启动风速时,变桨距机构将叶片沿长轴旋转到升力最佳状态,使风轮达到最大捕获效率;当风速达到额定风速之上时,为了限制功率输出,变桨距机构向叶片向顺桨方向逐渐旋转,降低风轮气动效率,恒定功率输出。独立变桨可以对桨距角进行微调提高发电量。 |
技术参数: 形式:内齿圈啮合驱动 变桨变距轴承:回转支承 变桨调节方式:单独驱动变桨速度: 1-12°/s 变桨角度:-5°-95° 控制检测系统:变桨角度传感器 |
|
|
主动偏 航系统 |
偏航系统由偏航轴承、偏航电机、偏航减速器、偏航刹车机构组成。可实现偏航对风、自动解缆等功能。机组通过风向传感元件测出实际风向,偏航电机经过减速器降速,通过减速器端部小齿轮驱动偏航轴承的外齿圈转动,实现偏航对风,从而使机组获得高的发电量,而且还可以最大程度地减少由于斜风给机组带来的负载影响。机组带有解绕传感器,可自动解缆和自动刹车。 |
技术参数: 形式:电机驱动主动式模拟电机数目:2 台 偏航轴承:球轴承 偏航刹车:制动电机,模拟刹车钳。 偏航速率:1rpm 对风敏感度:±10° 对风精度:±15° |
|
| 机舱演示控制柜 | 主要是演示实际机组运行时,机舱控制柜的位置。 |
技术参数: 显示部分运行状态端子走线 |
|
| 塔筒、底盘 | 机舱底盘的作用是为上述系统和装置提供支撑。 |
技术参数: 高度:约 900mm 塔筒直径:900 mm 底座直径:2000 mm 底盘材料:焊接结构 |
|
| 疏雷布线 | 通过滑环或者碳刷,把叶片根部的接闪器,接入机舱的等电位带上。防止雷电从一个区域传导至另一个区域。 |
技术参数: 线径:16mm2 碳刷截面积:30mm*60mm |
|
| 传感器 | 风速、风向传感器;转速传感器等 |
技术参数: 转速传感器类型:接近开关式 风速、风向传感器类型:机械式 |
|
|
机舱 模拟柜 |
功能为模拟整机运行的机舱柜,显示运行状态。 |
技术参数: 防护等级:IP23 配备部件:端子连接、风速、风向 驱动模块电源:380VAC,220VAC 和 UPS,24VDC 面板显示:运行状态,急停按钮 |
|
| 序号 | 项目 | 参数 |
| 1 | 规格型号 | 非标定制 |
| 2 | 表面处理 | 脱脂、酸洗、磷化、烤漆颜色:RAL7035 |
| 3 | 外观要求 | 外形美观,工艺精湛,尺寸精密 |
| 4 | 材质要求 | 板材厚度为1.2-2.0mm,其中装饰件1.2mm,连接件1.5mm,承重部件2.0mm。 |
| 5 | 台面特点 | 采用优质防火板 |
| 6 | 板卡 | MOXA CP114 串口卡 |
| 序号 | 项目 | 参数 |
| 1 | 操作系统 | Windows 7 32bit(32位简体中文版) |
| 2 | 处理器 | E5300双核2.6 |
| 3 | 硬盘 | 1TB |
| 4 | 主板 | AIMB-769VG |
| 5 | 机架 | 19英寸全钢4U机架 |
| 6 | 显示器 | 19寸液晶显示器一台(单独配置) |
| 序号 | 参数 | 参数值 |
| 1 | 输入电压 | AC 3PH 380V(-15%)~440V(+10%) |
| 2 | 输入电流 | 25A |
| 3 | 频率(Hz) |
输入频率:50Hz 允许范围47.5~51.5Hz |
| 4 | 输出电压(V) | 0~输入电压 |
| 5 | 输出电流(A) | 18.5A |
| 6 | 输出功率(kW) | 7.5kW |
| 7 | 输出频率 | 0~150Hz |
| 8 | 控制方式 | PG矢量控制 |
| 9 | 电机类型 | 异步电机 |
| 10 | 速度控制精度 | ±0.2% |
| 11 | 速度波动 | ± 0.3% |
| 12 | 转矩响应 | <20ms |
| 13 | 转矩控制精度 | 10% |
| 14 | 起动转矩 | 异步机:2.5 Hz/150%(PG矢量控制) |
| 15 | 过载能力 | 150%额定电流1 分钟,180%额定电流10秒,200%额定电流1秒 |
| 16 | 频率设定方式 | 外部通讯设定(可以依照程序修改) |
| 17 | 自动电压调整功能 | 当电网电压变化时,能自动保持输出电压恒定 |
| 18 | 故障保护功能 | 过流、过压、欠压、过温、缺相、过载等保护功能 |
| 19 | 转速追踪再起动功能 | 实现对旋转中的电机的无冲击平滑起动 |
| 20 | 端子模拟量输入分辩率 | 不大于20mV |
| 21 | 端子开关量输入分辩率 | 不大于2ms |
| 22 | IO |
模拟输入:2 路(AI1、AI2)0~10V/0~20mA,1路(AI3)-10~10V 模拟输出:2 路(AO1、AO2)0~10V /0~20mA 数字输入:8 路普通输入,最大频率1kHz,内部阻抗:3.3kΩ;1路高速输入,最大频率20kHz 数字输出:1 路高速脉冲输出,最大频率20kHz;1路Y 端子开路集电极输出 继电器输出:两路可编程继电器输出,触点容量:3A/AC250V,1A/DC30V |
| 23 | EMC 滤波器 | 内置C3 滤波器:满足IEC61800-3 C3 等级要求 |
| 24 | 制动方式 | 电阻制动 |
| 25 | 运行环境温度 | -5~40℃,40℃以上降额使用 |
| 26 | 平均无故障时间 | 2 年(25度环境温度) |
| 27 | 防护等级 | IP20 |
| 28 | 冷却方式 | 强制风冷 |
| 项目 | 参数 |
| 网侧变流器电压范围 | 3AC 380V±7% |
| 网侧变流器频率范围 | 50Hz ±0.5Hz |
| 网侧变流器容量 | 5kW |
| 网侧变流器额定电流 | 8.4A |
| 谐波畸变率 | ≤10%(额定,线性负载) |
| 机侧变流器额定电压 | 380VAC±7% |
| 机侧变流器频率 | 0-100Hz |
| 机侧变流器容量 | 5kW |
| 机侧变流器额定电流 | 8.4A |
| 网侧/机侧变流器效率 | 94%(额定功率工况) |
| 噪声 | <85dB |
| 运行温度 | -5至 +45°C |
| 低电压穿越标准 | MAX20%(PCC) 625ms 不停机 |



| 编号 | 名称 | 学生人数 | 类型 |
| 1 | 异步电机空载实验 | 每套机组3~5人 | 设计型 |
| 2 | 异步电机负载实验 | 每套机组3~5人 | 设计型 |
| 3 | 双馈感应电机空载实验 | 每套机组3~5人 | 设计型 |
| 4 | 双馈感应电机负载实验 | 每套机组3~5人 | 设计型 |
| 5 | 风力发电机启动并网实验 | 每套机组5~8人 | 设计型 |
| 6 | 风力发电机正常停机实验 | 每套机组5~8人 | 设计型 |
| 7 | 风力发电机异常停机 | 每套机组5~8人 | 设计型 |
| 8 | 风力发电机正常运行实验 | 每套机组5~8人 | 设计型 |
| 9 | 风力发电机脱网保护实验 | 每套机组5~8人 | 设计型 |
